| Availability: | |
|---|---|
ZHC mode type
ULTRA HIGH VOLTAGE CERAMIC CAPACITOR
Features:
The rated voltage UR is more than 10KV.DC.
Samll size and high-dielectric strength voltage
Coated with flame-retardant epoxy resin.
Low dissipation factor and excellent frequency characteristics.
This kind of capacitors are mainly composed of CT81. CC81 radial lead type, HFC, ZHC mold type and HPC high voltage network capacitors.
Applications:
High -voltage DC power supplies, such as Lasers, X-ray apparatus, Air cleaners, etc.
Used in focus circuits for color display, making image focus better of whole screen.
Used in the electrostatic coating machines.
Specification:
Temperature range | Test condition | ||
-25℃~+85℃ | temperature | voltage | frequency |
20±2℃ | 1.0±0.2V | 1 KHz or 1 MHz | |
Rated voltage(Ur): 10-40KV.DC
Nominal capacitance: 1-10000PF
Tolerance : J: ±5%; K;±10%; M: ±20%
Temp. Char.: Bn, B, R, D, E, F, SL, YL.
Dissipation factor: Bn≤0.5% R,D≤0.2%
B,E,F≤2.5% (1KHz)
SL,YL≤0.15% (1MHz)
Insulation resistance: 10000M Ω min.
Test voltage: 1.5UR
HFC Focus Type:
This kinds of capacitors are mainly composed of HFC-11 and HFC-12 type.

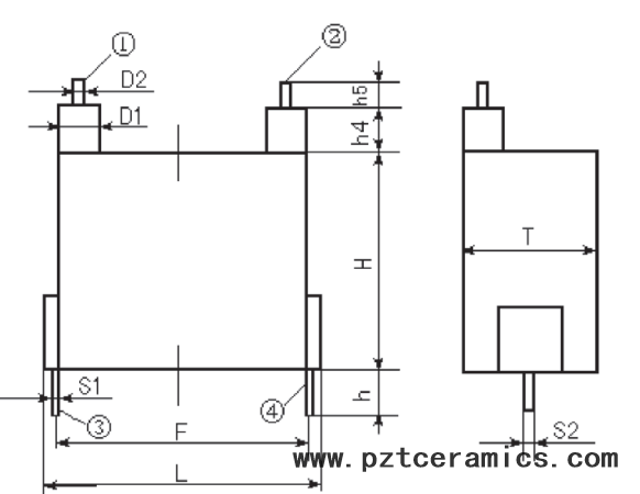
Dimension of appearance and schematic drawing
Code No. | L ±1.0 | H ±1.0 | F ±1.0 | T ±1.0 | D1 Φ±0.5 | D2 Φ±0.1 | h1 ±0.5 | h2 ±0.5 | h3 ±0.5 | h4 ±0.5 | h5 ±0.5 | h6 ±1.0 | S1 ±0.1 | S2 ±0.1 | d Φ±0.1
|
HFC-11-15KV-102K | 27.0 | 38.0 | 18.0 | 14.5 | 5.8 | 3.2 | 4.5 | 2.8 | 1.7 | 10.0 | 600(480) | 9.0 | 1.0 | ||
HFC-12-15KV-102K | 34.0 | 27.0 | 31.0 | 18.0 | 6.4 | 2.35 | 4.5 | 8.0 | 3.3 | 0.7 | 1.75 |
| Code No. | Dimension of appearance | Schematic drawing |
| HFC-11 | ![]() | ![]() |
| HFC-12 | ![]() | ![]() |
Contact:
E-mail: sales@pztceramics.com
violet.shan@pztceramics.com
Tel.: +86 131 6536 1320
Web: www.pztceramics.com
ULTRA HIGH VOLTAGE CERAMIC CAPACITOR
Features:
The rated voltage UR is more than 10KV.DC.
Samll size and high-dielectric strength voltage
Coated with flame-retardant epoxy resin.
Low dissipation factor and excellent frequency characteristics.
This kind of capacitors are mainly composed of CT81. CC81 radial lead type, HFC, ZHC mold type and HPC high voltage network capacitors.
Applications:
High -voltage DC power supplies, such as Lasers, X-ray apparatus, Air cleaners, etc.
Used in focus circuits for color display, making image focus better of whole screen.
Used in the electrostatic coating machines.
Specification:
Temperature range | Test condition | ||
-25℃~+85℃ | temperature | voltage | frequency |
20±2℃ | 1.0±0.2V | 1 KHz or 1 MHz | |
Rated voltage(Ur): 10-40KV.DC
Nominal capacitance: 1-10000PF
Tolerance : J: ±5%; K;±10%; M: ±20%
Temp. Char.: Bn, B, R, D, E, F, SL, YL.
Dissipation factor: Bn≤0.5% R,D≤0.2%
B,E,F≤2.5% (1KHz)
SL,YL≤0.15% (1MHz)
Insulation resistance: 10000M Ω min.
Test voltage: 1.5UR
HFC Focus Type:
This kinds of capacitors are mainly composed of HFC-11 and HFC-12 type.

Dimension of appearance and schematic drawing
Code No. | L ±1.0 | H ±1.0 | F ±1.0 | T ±1.0 | D1 Φ±0.5 | D2 Φ±0.1 | h1 ±0.5 | h2 ±0.5 | h3 ±0.5 | h4 ±0.5 | h5 ±0.5 | h6 ±1.0 | S1 ±0.1 | S2 ±0.1 | d Φ±0.1
|
HFC-11-15KV-102K | 27.0 | 38.0 | 18.0 | 14.5 | 5.8 | 3.2 | 4.5 | 2.8 | 1.7 | 10.0 | 600(480) | 9.0 | 1.0 | ||
HFC-12-15KV-102K | 34.0 | 27.0 | 31.0 | 18.0 | 6.4 | 2.35 | 4.5 | 8.0 | 3.3 | 0.7 | 1.75 |
| Code No. | Dimension of appearance | Schematic drawing |
| HFC-11 | ![]() | ![]() |
| HFC-12 | ![]() | ![]() |
Contact:
E-mail: sales@pztceramics.com
violet.shan@pztceramics.com
Tel.: +86 131 6536 1320
Web: www.pztceramics.com